
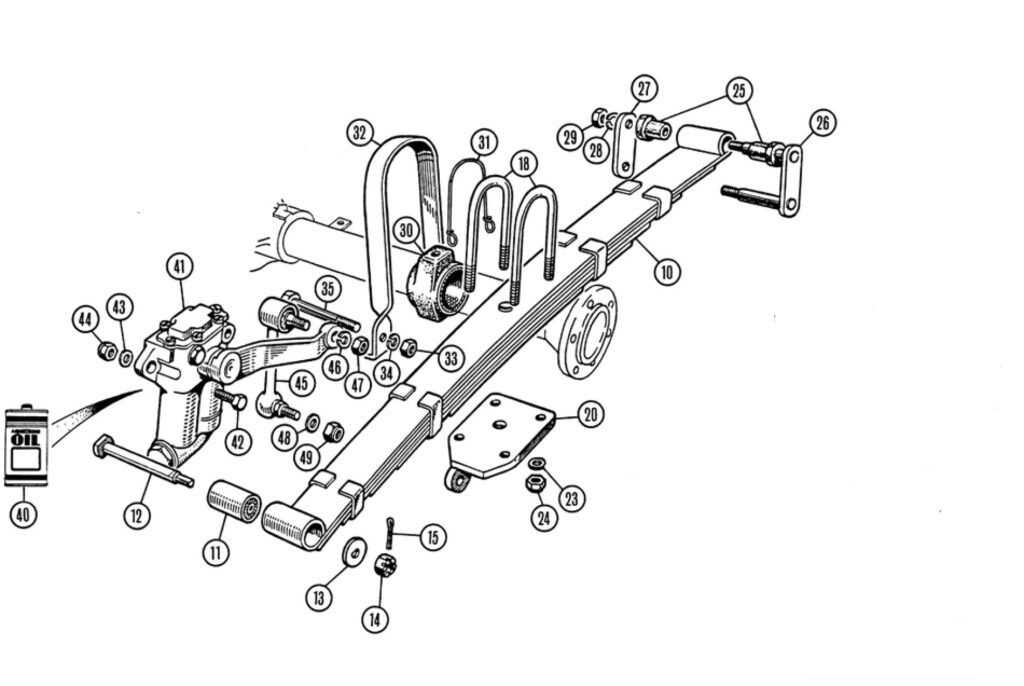
Her er der igen nogle dele som har været glasblæst fra tidligere ejer og igen er de startet op på at ruste så det hele er forfra igen de gamle gummibøs som sidder på vil blive udskiftet til nogle nye.


Her er de dele som er fundet og som jeg har sandblæst på ny og grundmalet med 2k maling.



Som man kan se på øverste billede så mangler der stadig en del dele som skal findes.
Mere følger !!!!